◆ Model: YJY100 YJY150
◆ Použitie: Absolútny tlak sa týka tlaku, ktorý je vyšší ako absolútny tlak nula, pričom ako referencia je absolútny tlak nula (absolútne vákuum). Absolútna hodnota tlaku môže byť vyjadrená podľa nasledujúceho vzorca:
Hodnota absolútneho tlaku = vákuum (záporný tlak) Hodnota Atmosférického tlaku Hodnota
Absolútny tlakomer sa používa hlavne na monitorovanie alebo meranie absolútneho tlaku v niektorých vákuových zariadeniach (napr. Vákuové obalové stroje, zariadenia na monitorovanie kondenzačného tlaku a tlaku pár kvapaliny atď.).
◆ Pracovný tlak: Statické zaťaženie sa používa až do 3/4 hornej limitnej hodnoty merania, výmenné zaťaženie sa používa až do 2/3 hornej limitnej hodnoty merania a krátkodobý tlak sa používa až do hornej limitnej hodnoty merania.
◆ Technické parametre :
| číslo modelu | Yjy100 | Yjy150 | |
| Priemer | Φ 100 | Φ 150 | |
| Inštalačný formulár | Ⅰ | * | * |
| Ⅱ | * | * | |
| Ⅳ | * | * | |
| Ⅵ | * | * | |
| Konektor | M20 × 1.5 | ||
| Trieda presnosti | 0.4 ; 1.0 ; 1.6 ; 2.5 | ||
| Rozsah merania ( MPA ) | 0 ~ 0,1 0 ~ 0,16 0 ~ 0,25 0 ~ 0,4 0 ~ 0,6 0 ~ 1 0 ~ 1.6 0 ~ 2.5 0 ~ 4 0 ~ 6 0 ~ 10 | ||
| Podmienky používania prostredia | teplota : -40 ℃~ 70 ℃ (trieda presnosti : 0.4 ) -50 ℃~ 160 ℃ (trieda presnosti : 1.0 ~ 2.5 ) relatívna vlhkosť : ≦ 80 % | ||
| hodnotenie vibrácií | Vložkaložka · H · 2 ; V · H · 3 | ||
| ochrana triedy | IP65 | ||
| Implementačné normy | | ||
| Poznámka: 1. Spoločné vlákna je možné prispôsobiť podľa požiadaviek používateľa. | |||
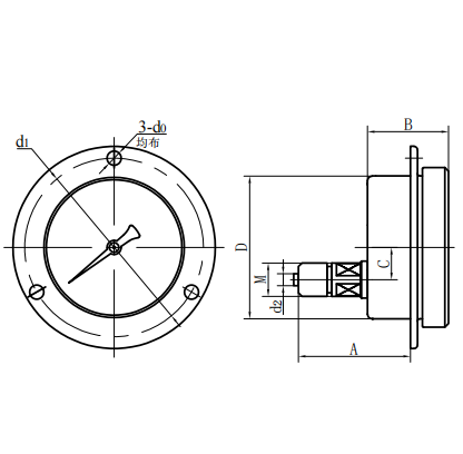
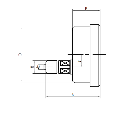
◆ Externé rozmery:
|
Radiálny priamy typ (ⅰ) | Axiálny excentrický priamy typ (ⅱ) |
| Axiálny sústredný priamy typ (III) | Typ axiálneho excentrického vložky (IV) |
| číslo modelu | Celkové rozmery ( mm ) | |||||||
| A | B | C | D | d0 | d1 | d2 | M | |
| Yjy100 -Ⅰ | 90 | 48 | 15 | Φ 100 | / | / | Φ 6 | M20 × 1.5 |
| Yjy100 -Ⅱ | 83 | 44 | 34 | Φ 100 | / | / | Φ 6 | M20 × 1.5 |
| Yjy100 -Ⅳ | 68 | 44 | 34 | Φ 100 | Φ 6 | Φ 118 | Φ 6 | M20 × 1.5 |
| Yjy100 -Ⅵ | 90 | 48 | 15 | Φ 100 | Φ 6 | Φ 118 | Φ 6 | M20 × 1.5 |
| Yjy150 -Ⅰ | 117 | 51 | 16.5 | Φ 150 | / | / | Φ 6 | M20 × 1.5 |
| Yjy150 -Ⅱ | 92 | 52 | 55 | Φ 150 | / | / | Φ 6 | M20 × 1.5 |
| Yjy150 -Ⅳ | 69 | 52 | 55 | Φ 150 | Φ 6 | Φ 165 | Φ 6 | M20 × 1.5 |
| Yjy150 -Ⅵ | 117 | 53 | 28 | Φ 150 | Φ 6 | Φ 165 | Φ 6 | M20 × 1.5 |
























