◆ Model: YJ150 YJ150A
◆ Použitie: Táto séria nástrojov sa používa hlavne na kalibráciu priemyselných alebo občianskych bežných tlakových meradiel. Môže sa tiež použiť na presné meranie tlaku nekorozívnych, nekryštalizačných a nekonsolidujúcich médií, ako je zliatina meďnatého a zliatina konštrukčnej ocele v mieste procesu.
Táto séria nástrojov v mierke riadku pod nastavením zrkadlového kruhu, ktorý sa používa, môže spôsobiť, že chyba čítania je minimalizovaná. Typ s nulovým zariadenia
◆ Technické parametre :
| číslo modelu | Yj150 | Yj150a | |
| Priemer | Φ 150 | ||
| Inštalačný formulár | Ⅰ | * | * |
| Ⅳ | * | * | |
| Konektor | M20 × 1.5 | ||
| Trieda presnosti | 0.4 | ||
| Rozsah merania ( MPA ) | Neobsadené : -0.1 ~ 0 Tlakové vákuum : -0.1 ~ 0,06 -0,1 ~ 0,15 -0,1 ~ 0,3 -0,1 ~ 0,5 -0,1 ~ 0,9 -0,1 ~ 1,5 -0.1 ~ 2.4 Tlak : 0 ~ 0,1 0 ~ 0,16 0 ~ 0,25 0 ~ 0,4 0 ~ 0.6 0 ~ 1 0 ~ 1,6 0 ~ 2.5 0 ~ 4 0 ~ 6 0 ~ 10 0 ~ 16 0 ~ 25 0 ~ 40 0 ~ 60 0 ~ 100 | ||
| Podmienky používania prostredia | teplota : 20 ± ± 3 ℃ | ||
| hodnotenie vibrácií | Vložka · H · 2 | ||
| ochrana triedy | IP54 | ||
| Implementačné normy | GB/T 1227 | ||
| Poznámka: 1. Spoločné vlákna je možné prispôsobiť podľa požiadaviek používateľa. | |||
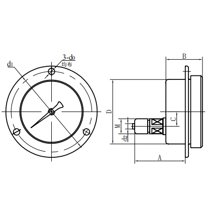
◆ Externé rozmery:
| Radiálny priamy typ (ⅰ) | Axiálny excentrický priamy typ (ⅱ) |
| číslo modelu | Celkové rozmery ( mm ) | |||||||
| A | B | C | D | d0 | d1 | d2 | M | |
| Yj150- Ⅰ Yj150a- Ⅰ | 113 | 51 | 21 | Φ 150 | / | / | Φ 6 | M20 × 1.5 |
| Yj150- Ⅳ Yj150a- Ⅳ | 79 | 51 | 55 | Φ 150 | Φ 6 | Φ 165 | Φ 6 | M20 × 1.5 |


















