◆ Model: YC40 YC50 YC60 YC75 YC100 YC150
◆ Použitie: Táto séria nástrojov je vhodná na meranie tlaku kvapaliny, plynu, pary a iných tekutých médií bez nebezpečenstva výbuchu, kryštalizácie alebo tuhosti na lodiach a súvisiacich zariadeniach.
Táto séria prístrojov má svetelný typ v hlavnej stupnici číselníka a predný koniec ukazovateľa je potiahnutý aktívnym alebo pasívnym permanentným žiarivým látkom, takže hodnotu tlaku sa dá jasne odčítať v tme.
Služba tejto série nástrojov je úplne utesnená a má určitý odpor voči korózii morskej vody, čím chráni vnútorné komponenty prístroja pred poškodením a koróziou vlnami a morskou vodou.
Táto séria nástrojov môže byť tiež naplnená olejom tlmením s nízkym viskozitou v škrupine, so schopnosťou odolávať vibráciám pracovného prostredia spôsobeného zlým počasím v mori a pulzáciou stredného tlaku.
Táto séria nástrojov sa používa hlavne v pobrežnej lodnej doprave, na mori a plynových poliach, vŕtaniach na mori, ťažbou morského dna, vnútrozemskou navigáciou a ďalšími odvetviami.
◆ Technické parametre :
| Číslo modelu | YLM60 | YLM100 | YLM150 | |
| Priemer | Φ 60 | Φ 100 | Φ 150 | |
| Montáž | Ⅰ | * | * | * |
| Ⅱ | * | * | * | |
| Ⅲ | * | / | / | |
| Ⅳ | * | * | * | |
| Ⅴ | * | / | / | |
| Ⅵ | * | * | * | |
| Konektor | M14 × 1.5 | M20 × 1.5 | ||
| Trieda presnosti | 2.5 | 1.6 | ||
| Rozsah merania ( MPA ) | Neobsadené : -0.1 ~ 0 Tlakové vákuum : -0.1 ~ 0,06 -0,1 ~ 0,15 -0,1 ~ 0.3 -0.1 ~ 0,5 -0,1 ~ 0,9 -0,1 ~ 1,5 -0.1 ~ 2.4 Tlak : 0 ~ 0,1 0 ~ 0,16 0 ~ 0,25 0 ~ 0,4 0 ~ 0.6 0 ~ 1 0 ~ 1,6 0 ~ 2.5 0 ~ 4 0 ~ 6 0 ~ 10 0 ~ 16 0 ~ 25 0 ~ 40 0 ~ 60 0 ~ 100 、 0 ~ 160 、 0 ~ 250 |
| Podmienky používania prostredia | teplota : -40 ℃~ 70 ℃ |
| hodnotenie vibrácií | Normálny typ : Vložkaložka · H · 3 ; Seizmický typ (typ naplnený kvapalinou) : V · H · 4 |
| Borden rúrka | QSN4-0.3 、 OCR18NI12MO2TI |
| Materiál na puzdro a konektor | 1Cr18Ni9ti ; SUS304 |
| ochrana triedy | IP65 |
| Implementačné normy | GB/T 1226 ; JB/T 6804 |
| Poznámka: 1. Spoločné vlákna je možné prispôsobiť podľa požiadaviek používateľa. | |
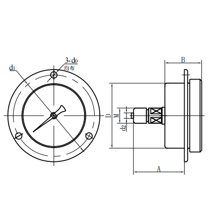
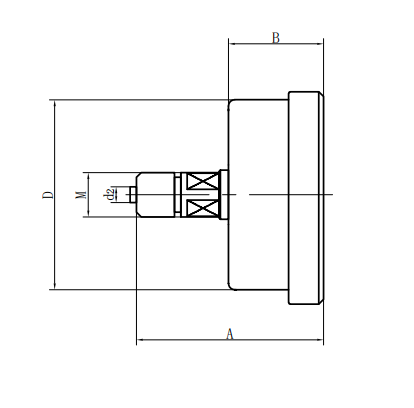
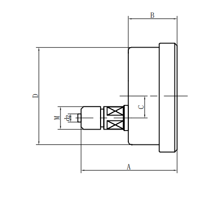
◆ Externé rozmery:
| Radiálny priamy typ (ⅰ) | Axiálny excentrický priamy typ (ⅱ) |
| Axiálny sústredný priamy typ (III) | Typ axiálneho excentrického vložky (IV) |
| Typ axiálneho sústredného vkladania (V) | Radiálny konvexný typ (vi) |
| číslo modelu | Celkové rozmery (mm) | |||||||
| A | B | C | D | d0 | d1 | d2 | M | |
| Yc60- Ⅰ | 56 | 33 | 11 | Φ 60 | / | / | Φ 5 | M14 × 1.5 |
| Yc60- Ⅱ | 61 | 32.5 | 18 | Φ 60 | / | / | Φ 5 | |
| Yc60- Ⅲ | 61 | 32.5 | / | Φ 60 | / | / | Φ 5 | M14 × 1.5 |
| Yc60- Ⅳ | 55 | 32.5 | 18 | Φ 60 | Φ 5 | Φ 75 | Φ 5 | |
| Yc60- Ⅴ | 55 | 32.5 | / | Φ 60 | Φ 5 | Φ 75 | Φ 5 | M14 × 1.5 |
| Yc60- Ⅵ | 56 | 33 | 11 | Φ 60 | Φ 5 | Φ 75 | Φ 5 | M14 × 1.5 |
| Yc100- Ⅰ | 90 | 48 | 15 | Φ 100 | / | / | Φ 6 | M20 × 1.5 |
| Yc100- Ⅱ | 83 | 44 | 34 | Φ 100 | / | / | Φ 6 | M20 × 1.5 |
| Yc100- Ⅳ | 68 | 44 | 34 | Φ 100 | Φ 6 | Φ 118 | Φ 6 | M20 × 1.5 |
| Yc100- Ⅵ | 90 | 48 | 15 | Φ 100 | Φ 6 | Φ 118 | Φ 6 | M20 × 1.5 |
| Yc150- Ⅰ | 117 | 51 | 16.5 | Φ 150 | / | / | Φ 6 | M20 × 1.5 |
| Yc150- Ⅱ | 92 | 52 | 55 | Φ 150 | / | / | Φ 6 | M20 × 1.5 |
| Yc150- Ⅳ | 69 | 52 | 55 | Φ 150 | Φ 6 | Φ 165 | Φ 6 | M20 × 1.5 |
| Yc150- Ⅵ | 117 | 53 | 28 | Φ 150 | Φ 6 | Φ 165 | Φ 6 | M20 × 1.5 |


















