◆ Model: y¨-ml y¨-mf y¨-mg y¨-mz y¨-mk y¨-mn y¨-ms
◆ Aplikácia: V dôsledku nepriamej štruktúry merania je membrátový tlakomer vhodný na meranie tlaku kvapalín, plynov alebo granulovaných tečúcich tuhých látok s vysokou viskozitou, ľahko sa kryštalizovať, silná korózia a vysoká teplota. Izolačná membrána má rôzne materiály na prispôsobenie sa rôznym korozívnym médiám.
Tieto nástroje sa používajú hlavne v chemických vlákninách, syntetickej vlákne, ropu, farbení, alkálii, kyseline, potravinách, medicíne, konštrukcii, ťažbe, tavení a iných priemyselných odvetviach.
Hlava rozchodu tohto typu prístroja sa môže použiť v rôznych sériách: všeobecný tlakomer, tlakomerný rozchod odolný voči nárazom, rôzne elektrické kontaktné tlakomer, rôzne šokové kontaktné tlakomery, tlakový vysielač, diaľkový tlakomer, digitálny tlakový rozchod, regulátor tlaku a tak.
◆ Princíp štruktúry:
Tento prístroj je nepriame meranie. Deformácia izolačnej membrány pod tlakom nameraného média, tesniaca kvapalina sa pod tlakom a tlak sa prenáša do tlaku.
Tesniaca kvapalina je pod tlakom a tlak sa vykonáva na detekčný prístroj, ktorý ukazuje hodnotu nameraného tlaku média.
◆ Technické parametre :
| Hlavný model merača | Rôzne typy tlakových prístrojov, tlakových vysielačov, regulátorov tlaku atď. | |||
| Trieda presnosti | 1.6 ; 2.5 | |||
| Trieda presnosti ( MPA ) | 0 ~ 0,1 0 ~ 0,16 0 ~ 0,25 0 ~ 0,4 0 ~ 0.6 0 ~ 1 0 ~ 1,6 0 ~ 2.5 0 ~ 4 0 ~ 6 0 ~ 10 0 ~ 16 0 ~ 25 0 ~ 40 | |||
| Membráma | prezývky | Materiál | prezývky | Materiál |
| 1 | 0cr18ni12mo2 | 5 | Hastelloy C (H276C) | |
| 2 | SUS304 | 6 | Monel Alloy (CU30NI70) | |
| 3 | SUS316 | 7 | Tantalum (ta) | |
| 4 | SUS316L | 8 | Fluórplastický (PTFE) | |
| Izolátorový materiál | 1Cr18ni9; 304; 316; 316l; F4; PVC, atď. | |||
| Tesniaci materiál | NBR; Lekárska guma; Ptfe; Grafit; Fluórelastomér; atď. | |||
| Plnenie vodivej kvapaliny | Metylmikonný olej, rastlinný olej, glycerín, fluórovaný olej atď. | |||
| teplotný efekt | Pretože tepelná expanzia vodivej tekutiny a tuhosť membrány súvisia s teplotou, hodnota chyby je 0,1%/° C, keď sa prevádzková teplota líši od 20 ± 5 ° C. | |||
| ochrana proti korózii | Tento výkon zahŕňa charakteristiky korózie životného prostredia a meracieho média a materiál izolátora, listovej membránovej a tesniacej podložky je možné vybrať podľa podmienok použitia. | |||
| rozdiel | Hadica spojená s membrátovým mriežkou v inštalácii Ak je bod merania a tlakomer v rôznych výškach, jeho rozdiel na úrovni kvapaliny generovaný rozdielom tlaku △ p ovplyvní nameranú hodnotu prístroja, vzorec je: △ p = špecifická hmotnosť rozdielu s tesniacimi kvapalinami × rozdiel s kvapalinou. | |||
| Implementačné normy | JB/T 8624 | |||
| Poznámka: 1, vlákno konektora je možné prispôsobiť podľa požiadaviek používateľa; 2 、 Pripojenie príruby je možné prispôsobiť podľa štandardu prírubovej požiadavky používateľa. | ||||
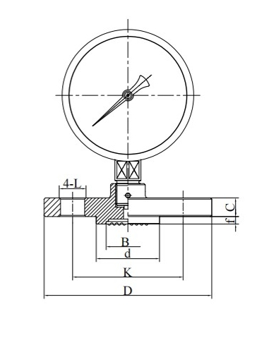
◆ Schéma veľkosti a inštalácie typu izolátora:
| (Ml) Rozhranie závitu | (MF) Otvorená príruba tváre |
























