◆ Model: Yp100-L YP150-L YP100-F YP150-F
◆ Model: Yp100-L YP150-L YP100-F YP150-F
◆ Technické parametre:
| Model | YP100-L 、 YP100-F | YP150-L 、 YP150-F |
| Priemer | F 100 | F 150 |
| Trieda presnosti | 2.5 | |
| Meracia rada ( KPA ) | Záporný tlak: -60 ~ 0 -40 ~ 0 -25 ~ 0 -16 ~ 0 -10 ~ 0 0 ~ 10 -6 ~ 0 -4 ~ 0 -2,5 ~ 0 -1.6 ~ 0 Pozitívny tlak: 0 ~ 1,6 0 ~ 2.5 0 ~ 4 0 ~ 6 0 ~ 1 0 ~ 1,6 0 ~ 2.5 Pozitívny a negatívny tlak: -0.8 ~ 0,8 -1,2 ~ 1,2 -2 ~ 2 -3 ~ 3 -5 ~ 5 -8 ~ 8 -12 ~ 12 -20 ~ 20 -30 ~ 30 | |
| Meracia rada ( MPA ) | Vložkaákuum: -0.1 ~ 0 Tlakové vákuum: -0.1 ~ 0,06 -0,1 ~ 0,15 -0,1 ~ 0.3 -0.1 ~ 0,5 -0,1 ~ 0,9 -0,1 ~ 1,5 -0.1 ~ 2.4 Tlak: 0 ~ 0,06 0 ~ 0,1 0 ~ 0,16 0 ~ 0,25 0 ~ 0.4 0 ~ 0,6 0 ~ 1 0 ~ 1,6 0 ~ 2.5 | |
| Používajte okolitú teplotu | -40 ℃~ 70 ℃ | |
| Membráma | OCR18NI12MO2TI ; SUS316 ; | |
| Montáž | Závit ( L ); Príruba ( F ), ( F1 ) | |
| Hodnotenie vibrácií | V · H · 2 | |
| Ochrana proti vkladu | IP64 | |
| Presadzovať štandard | JB/T 5491 | |
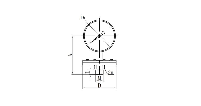
◆ Externé rozmery:
Závit ( L )
| Model | Rozmery ( mm ) | |||||
| A | D | D1 | SW | L | M | |
| YP100-L | 135 | Φ 97.5 Mikropressura φ 165 | 110 | 27 | 20 | M20 × 1.5 |
| YP150-L | 160 | 160 | 27 | 20 | M20 × 1.5 | |
| Poznámka: Kĺbové vlákno ( M ( | ||||||
Wuxi Huihua Special Instrumentation Co., Ltd. was established in December 2001, the registered capital is 5 million yuan, the existing staff of more than 50 small and medium-sized joint-stock enterprises.
Spoločnosť sa špecializuje na výrobu rôznych typov špeciálnych nástrojov, alternatíva k lokalizácii dovážaných nástrojov. Do seizmického tlaku, seizmický elektrický kontaktný tlakomer, tlakomer z nehrdzavejúcej ocele, tlakomerný tlakomer odolný voči korózii, morský tlakomer a ďalšie série ako hlavné výrobky. Na základe poľných nástrojov sme vyvinuli rôzne druhy tlakových vysielačov, regulátorov tlaku, digitálneho tlakového meradiel atď. Existuje viac ako 30 špecifikácií sérií a 3000. Dodávateľské výrobky sa bežne používajú v ropnej, chemickej, papierovej, metalurgii, ťažbe, chemických vlákninách, elektrickej energii, potravinách, ochrane životného prostredia, gumy a plastu, hydrauliky, hydrauliky a viac ako 2 000 domácich zákazníkov, ktorí vytvorili priateľský vzťah s národným a stredne veľkým podnikom, aby vytvorili dobrú partnerstvo, získali väčšinu používateľov Praise Praise a vytvorenie podnikovej značky.
Ako Meradlo tlakových meradiel série YP Manufacturers, v celom výrobnom systéme sú zavedené prísne procesy kontroly kvality, aby sa zabezpečilo, že sa vyrábajú konzistentná kvalita.
Tlakomery patria medzi najzákladnejšie nástroje v akomkoľvek priemyselnom, mechanickom alebo procesnom prostredí. Poskytujú meranie tlaku tekutín alebo plynov v reálnom čase, čo umožňuje operátorom monitorovať výkon s......
Prečítajte si viacPochopenie základov tlakomeru Tlakomery sú základné nástroje používané v nespočetných priemyselných odvetviach na meranie a zobrazovanie tlaku plynov alebo kvapalín v systéme. Tieto zariadenia slúžia kritický......
Prečítajte si viacSnímače diferenčného tlaku sú základnými nástrojmi v moderných priemyselných procesných riadiacich, meracích a monitorovacích systémoch. Tieto zariadenia merajú rozdiel v tlaku medzi dvoma bodmi v systéme a premieňajú......
Prečítajte si viac