◆ Model: YTX100B YTX150B
◆ Použitie: Táto séria nástrojov sa používa špeciálne v okolitom prostredí horľavých médií a výbušnej zmesi nebezpečenstvo miest, meranie tlaku tekutín a plynov so zodpovedajúcimi elektrickými zariadeniami môže dosiahnuť poplach alebo automatické ovládanie a ďalšie funkcie.
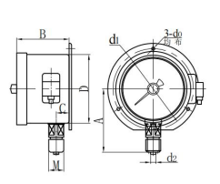
Prístroj prijíma magnetický elektrický kontakt, ktorý má charakteristiky veľkej sacej sily a spoľahlivého kontaktu.
Tento nástroj spĺňa požiadavky v GB 3836.1-2010 „Výbušná atmosféra - časť 1 : Všeobecné požiadavky na vybavenie “a GB3836.2-2010 „Výbušná atmosféra - časť 2 : Vybavenie chránené plameňom odolným v oblasti plameňov “ d „.
















