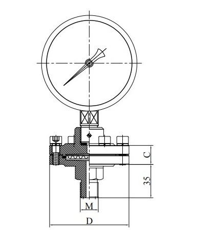
◆ Model: YTZ100, YTZ-150
◆ Aplikácia: Tento typ prístroja je vhodný na meranie tlaku kvapalín, plynov alebo výparov bez rizika výbuchu, bez kryštalizácie, bez solidácie a bez korozívneho účinku na zliatiny medi a medi.
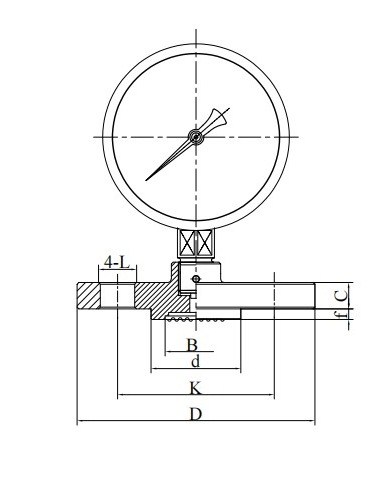
Vyrobené z nehrdzavejúcej ocele, môže sa použiť na meranie tlaku tekutín, plynov alebo výparov, ktoré sú slabo korozívne, ale nie výbušné, kryštalizované alebo stuhnuté.
◆ Ak je potrebné vyrobiť nátlakový tlaku proti nárazu, môže byť naplnený glycerínom alebo silikónovým olejom.


















