◆ Model: YZS102
◆ Model: YZS102
◆ Technické parametre:
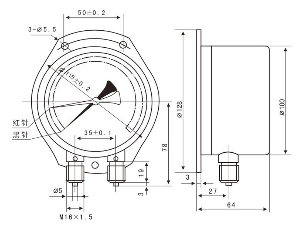
| Model | YZS102 |
| Priemer | Φ 100 |
| Priliehavé vlákna | M20 × 1.5 ; G3/8 |
| Trieda presnosti | 1.6 |
| Meracia rada ( KPA ) | 0 ~ 1000 0 ~ 1200 0 ~ 1600 0 ~ 2500 |
| Podmienky používania prostredia | Teplota -5 ° C ~ 60 ° C Relatívna vlhkosť: nie viac ako 80%. |
| Teplotné účinky | (odchýlka od 20 ° C ± 5 ° C pri použití) nie je väčší ako 0,4%/10 ° C |
| váha | 0,7 kg |
| Hodnotenie vibrácií | Vložka · H · 3 |
| Ochrana proti vkladu | IP54 |
| Presadzovať štandard | GB/T1226 |
| Poznámka: 1 . Spoločné vlákno je možné prispôsobiť podľa požiadaviek používateľa. | |
◆ Exteriérové rozmery:
Wuxi Huihua Special Instrumentation Co., Ltd. was established in December 2001, the registered capital is 5 million yuan, the existing staff of more than 50 small and medium-sized joint-stock enterprises.
Spoločnosť sa špecializuje na výrobu rôznych typov špeciálnych nástrojov, alternatíva k lokalizácii dovážaných nástrojov. Do seizmického tlaku, seizmický elektrický kontaktný tlakomer, tlakomer z nehrdzavejúcej ocele, tlakomerný tlakomer odolný voči korózii, morský tlakomer a ďalšie série ako hlavné výrobky. Na základe poľných nástrojov sme vyvinuli rôzne druhy tlakových vysielačov, regulátorov tlaku, digitálneho tlakového meradiel atď. Existuje viac ako 30 špecifikácií sérií a 3000. Dodávateľské výrobky sa bežne používajú v ropnej, chemickej, papierovej, metalurgii, ťažbe, chemických vlákninách, elektrickej energii, potravinách, ochrane životného prostredia, gumy a plastu, hydrauliky, hydrauliky a viac ako 2 000 domácich zákazníkov, ktorí vytvorili priateľský vzťah s národným a stredne veľkým podnikom, aby vytvorili dobrú partnerstvo, získali väčšinu používateľov Praise Praise a vytvorenie podnikovej značky.
Ako YZS Series Double Needle Double Trbebe Gauges Manufacturers, v celom výrobnom systéme sú zavedené prísne procesy kontroly kvality, aby sa zabezpečilo, že sa vyrábajú konzistentná kvalita.
Tlakomery patria medzi najzákladnejšie nástroje v akomkoľvek priemyselnom, mechanickom alebo procesnom prostredí. Poskytujú meranie tlaku tekutín alebo plynov v reálnom čase, čo umožňuje operátorom monitorovať výkon s......
Prečítajte si viacPochopenie základov tlakomeru Tlakomery sú základné nástroje používané v nespočetných priemyselných odvetviach na meranie a zobrazovanie tlaku plynov alebo kvapalín v systéme. Tieto zariadenia slúžia kritický......
Prečítajte si viacSnímače diferenčného tlaku sú základnými nástrojmi v moderných priemyselných procesných riadiacich, meracích a monitorovacích systémoch. Tieto zariadenia merajú rozdiel v tlaku medzi dvoma bodmi v systéme a premieňajú......
Prečítajte si viac