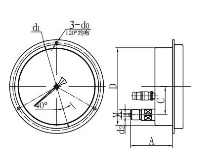
◆ Model: YTT100 YTT100A YTT150 YTT150A
◆ Aplikácia: Tento typ prístroja je vhodný na meranie tlaku kvapalín, plynov alebo výparov bez rizika výbuchu, bez kryštalizácie, bez solidácie a bez korozívneho účinku na zliatiny medi a medi.
Okrem lokálnej indikácie hodnoty tlaku môže prístroj neustále výstupovať ( 0 ~ 10 ) mamička alebo ( 4 ~ 20 ) mamička DC signál, ktorý je možné prenášať do riadiacej miestnosti na veľkú vzdialenosť a môže sa použiť s inteligentnými nástrojmi digitálneho displeja na vytvorenie automatického systému na zobrazenie, zaznamenávanie, úpravu a riadenie.
◆ Ak je potrebné vyrobiť nátlakový tlaku proti nárazu, môže byť naplnený glycerínom alebo silikónovým olejom.


















