◆ Model: YG60 YG100 YG150
◆ Použitie: Všetky časti tejto série meradiel sú vyrobené z nehrdzavejúcej ocele a hlavné časti sú vyrobené z 1CR18NI9, OCR18NI12MO2TI, SUS316, SUS316L atď. Zváranie každej časti je vyrobené osobitným procesom. Spomedzi nich má vysokohorový tlakomer rezistentný na koróziu vynikajúcu výkonnosť vysokej teploty a korózie, ktoré je vhodné pre korozívne prostredia, môže detekovať slabé korozívne, ale nie kryštalizáciu, nekonsolidáciu, nízku viskozitu s vysokým teplotným médiám. Široko používané v ropných, chemických, pesticídoch, gumári, zemnom plyne a ďalších odvetviach.
◆ Technické parametónónre :
| Číslo modelu | Yg60 | YG100 | YG150 | ||
| Priemer | Φ 60 | Φ 100 | Φ 150 | ||
| Montáž | Ⅰ | * | * | * | |
| Ⅱ | * | * | * | ||
| Ⅲ | * | / | / | ||
| Ⅳ | * | * | * | ||
| Ⅴ | * | / | / | ||
| Ⅵ | * | * | * | ||
| Klimatizovaťlimatizovaťonektor | M14 × 1.5 | M20 × 1.5 | |||
| Trieda presnosti | 2.5 | 1.6 | |||
| Rozsah merania ( MPA ) | Neobsadené : -0.1 ~ 0 Tlakové vákuum : -0.1 ~ 0,06 -0,1 ~ 0,15 -0,1 ~ 0,3 -0,1 ~ 0.5 -0.1 ~ 0,9 -0,1 ~ 1,5 -0.1 ~ 2.4 Tlak : 0 ~ 0,1 0 ~ 0,16 0 ~ 0,25 0 ~ 0,4 0 ~ 0.6 0 ~ 1 0 ~ 1,6 0 ~ 2.5 0 ~ 4 0 ~ 6 0 ~ 10 0 ~ 16 0 ~ 25 0 ~ 40 0 ~ 60 0 ~ 100 、 0 ~ 160 、 0 ~ 250 | ||||
| Podmienky používania prostredia | Vložkarece : -40 ℃~ 70 ℃ | ||||
| Teplota | Priama inštalácia : ≤ 150 ℃ | ||||
| Teplota : ≤ 500 ℃ | |||||
| Chyba teplotného efektu | Δ = ± (δ K Δ t ) Δ— - Prípustná hodnota chyby zobrazovacej hodnoty, keď sa teplota okolia odchýli od 20 ℃ ± 5 ℃, a prípustná hodnota chyby displeja, keď sa teplota okolia odchýli od 20 ℃ ± 5 ℃. % δ— - absolútna hodnota vnútornej chyby prístroja. % K —— -Cemperatur Effect Coefficient s hodnotou 0,04%/° C Δ t —— ∣TeMperature média v Bourdonovej trubici ℃ -25 ∣ | ||||
| Hodnotenie vibrácií | V · H · 3 | ||||
| Borden rúrka | OCR18NI12MO2TI ; SUS316 ; SUS316L | ||||
| Kryt, materiál konektora | 1Cr18Ni9ti ; SUS304 | ||||
| Ochrana triedy | IP65 | ||||
| Implementačné normy | GB/T 1226 | ||||
| Poznámka: 1. Spoločné vlákna je možné prispôsobiť podľa požiadaviek používateľa. | |||||
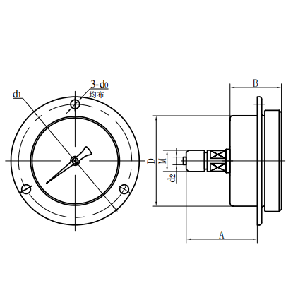
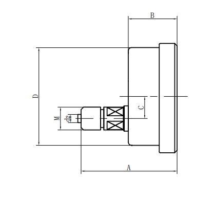
◆ Externé rozmery:
| Radiálny priamy typ (ⅰ) | Axiálny excentrický priamy typ (ⅱ) |
| Axiálny sústredný priamy typ (III) | Typ axiálneho excentrického vložky (IV) |
| Typ axiálneho sústredného vkladania (V) | Radiálny konvexný typ (vi) |
| Číslo modelu | Celkové rozmery ( mm ) | |||||||
| A | B | C | D | d0 | d1 | d2 | M | |
| Yg60 -Ⅰ | 56 | 33 | 11 | Φ 60 | / | / | Φ 5 | M14 × 1.5 |
| Yg60 -Ⅱ | 61 | 32.5 | 18 | Φ 60 | / | / | Φ 5 | |
| Yg60 -Ⅲ | 61 | 32.5 | / | Φ 60 | / | / | Φ 5 | M14 × 1.5 |
| Yg60 -Ⅳ | 55 | 32.5 | 18 | Φ 60 | Φ 5 | Φ 75 | Φ 5 | |
| Yg60 -Ⅴ | 55 | 32.5 | / | Φ 60 | Φ 5 | Φ 75 | Φ 5 | M14 × 1.5 |
| Yg60 -Ⅵ | 56 | 33 | 11 | Φ 60 | Φ 5 | Φ 75 | Φ 5 | M14 × 1.5 |
| YG100 -Ⅰ | 90 | 48 | 15 | Φ 100 | / | / | Φ 6 | M20 × 1.5 |
| YG100 -Ⅱ | 83 | 44 | 34 | Φ 100 | / | / | Φ 6 | M20 × 1.5 |
| YG100 -Ⅳ | 68 | 44 | 34 | Φ 100 | Φ 6 | Φ 118 | Φ 6 | M20 × 1.5 |
| YG100 -Ⅵ | 90 | 48 | 15 | Φ 100 | Φ 6 | Φ 118 | Φ 6 | M20 × 1.5 |
| YG150 -Ⅰ | 117 | 51 | 16.5 | Φ 150 | / | / | Φ 6 | M20 × 1.5 |
| YG150 -Ⅱ | 92 | 52 | 55 | Φ 150 | / | / | Φ 6 | M20 × 1.5 |
| YG150 -Ⅳ | 69 | 52 | 55 | Φ 150 | Φ 6 | Φ 165 | Φ 6 | M20 × 1.5 |
| YG150 -Ⅵ | 117 | 53 | 28 | Φ 150 | Φ 6 | Φ 165 | Φ 6 | M20 × 1.5 |
















