◆ Technické parametre:
| Model | CYBN100 | CYBN150 |
| Priemer | Φ 100 | Φ 150 |
| Montáž | Pripevnený na radiálny konvex Paralelné rozhrania | * | * |
| Pripevnený na radiálny konvex Rozhranie osem | | * |
| Excentrický excentrický splachovací typ | * | * |
| Meracia rada | Diferenciálny tlak Meracia rada KPA | Nominálny Pracovný tlak KPA | Diferenciálny tlak Meracia rada MPA | Nominálny Pracovný tlak MPA |
| 0 ~ 10 | 60 | 0 ~ 0.16 | 1 |
| 0 ~ 16 | 100 | 0 ~ 0.25 | 1.6 |
| 0 ~ 25 | 160 | 0 ~ 0.4 | 2.5 |
| 0 ~ 40 | 250 | 0 ~ 0.6 | 4 |
| 0 ~ 60 | 400 | 0 ~ 1 | 6 |
| 0 ~ 100 | 600 | 0 ~ 1.6 | 10 |
| | | 0 ~ 2.5 | 10 |
| Trieda presnosti | 2.5 |
| Priliehavé vlákna | M20 × 1.5 |
| Používajte okolitú teplotu | -40 ℃~ 70 ℃ |
| Teplota média, ktoré sa má použiť | ≤ 60 ℃ |
| Hodnotenie vibrácií | Vložka · H · 4 |
| Hodnotenie krytu | IP65 |
| váha | Približne 1,5 kg |
| Materiál impulzného systému | 0cr17ni12mo2 、 SUS316 |
| puzdro a ďalšie materiály | 1Cr18Ni9 、 SUS304 |
| Presadzovať štandard | JB/T 12015-2014 |
| Poznámka: 1 . Spoločné vlákno je možné prispôsobiť podľa požiadaviek používateľa. |
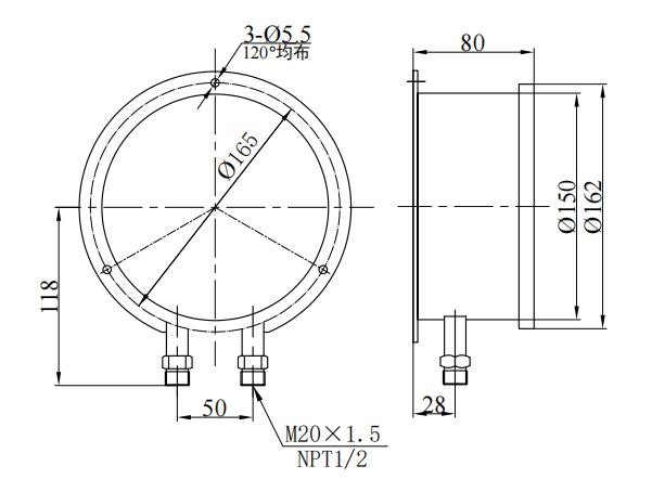
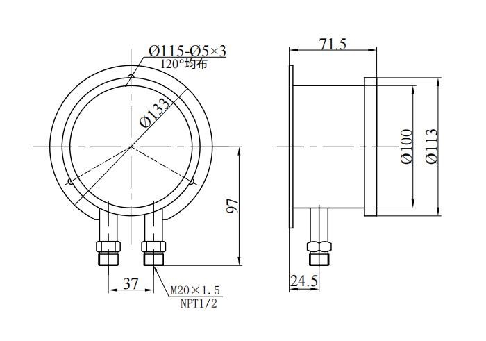
◆ Vzhľad a veľkosť inštalácie:
| CYBN100 Paralelné rozhrania | CYBN150 paralelné rozhrania |
| CYBN150 Bazi rozhranie | CYBN150 axiálna excentricita |
◆ Štrukturálny princíp:
Prístroj prijíma dvojitú Bourdonovu trubicu, to znamená, že v symetrických pozíciách na oboch stranách držiaka „I“ sú nainštalované dve rúrky z Bourdonu. Horné a dolné časti držiaka „I“ sú pohyblivý koniec a pevný koniec a stred je spojený kusom pružiny: Dve bourdónové trubice sú v rovnobežnom stave a sú spojené s vysokými a nízkymi napätými spojmi v puzdre s hnusom s hnusom pomocou rat priamo pripevnené na mechanizme prenosu prevodovky.
◆ Pracovný princíp: Na základe prvku snímania tlaku sa používajú dve bourdónové trubice s rovnakou tuhosťou, takže sú nútené produkovať rovnakú koncentrovanú silu pod rovnakým meraným médiom, aby pôsobili na pohyblivú konzolu, pretože dve strany jarnej čepele vyrábajú vychýlenie pri akcii rovnakého momentu, takže je stále v pôvodnej polohe, takže prevodový transmisný prevodový prevodový prostriedok nekončí.
Ak sa aplikujú rôzne tlaky (vo všeobecnosti je vysokotlakový koniec vyšší ako nízkotlakový koniec) , sila dvoch bourdónových trubíc pôsobiacich na pohyblivú podporu nie je rovnaká, takže zodpovedajúci posun je generovaný a mechanizmus prenosu prevodu je poháňaný a amplifikovaný a zosilnený hodnota diferenciálneho tlaku je indikovaná po vynechaní.
◆ Preventívne opatrenia:
1. Prístroj by sa mal nainštalovať vertikálne v polohe, ktorá je na rovnakej úrovni ako bod meracieho bodu, inak sa musí zohľadniť dodatočná chyba spôsobená rozdielom na úrovni kvapaliny.
2 . Konektor prístroja označený “ H „Alebo“ „Je koniec vysokého napätia a ten označený“ L „Alebo“ - „Je koniec s nízkym napätím a počas inštalácie sa nedá zvrátiť.
3 . Keď prístroj meria diferenciálny tlak, hodnota diferenciálneho tlaku sa môže použiť vo vnútri 75% hornej hranice rozsahu mierky a maximálna hodnota statického tlaku systému by nemala presahovať maximálnu hodnotu statického tlaku určeného prístrojom.
4. Ako je znázornené na obrázku 4 , Ventil vyváženia (bezpečnostný) (ventil 1 ) Mali by byť nastavené pred vstupnými otvormi s vysokým a nízkym tlakom prístroja počas inštalácie a mali by byť v otvorenej polohe a vyvážený ventil by sa mal za ventil uzavrieť 2 a ventil 3 všetky sú otvorené.
5 . Pred použitím by mal prístroj starostlivo overiť stupeň erózie spôsobený nameraným médiom, aby nespôsobil skoré poškodenie korózie Bourdonovej trubice.
6 . Ak je prístroj pravidelne udržiavaný, ak sa musí kryt meraču otvoriť, je vhodné používať špeciálne nástroje.
7 . Ak je prístroj ovplyvnený zmenami teploty a chyba indikácie sa zvyšuje a ovplyvňuje presnosť merania, šéf zástrčky v prípade môže byť odrezaný, aby sa vnútorná a vonkajšia časť prípadu oznámila a tlak vzduchu je vyvážený.
◆ Oznámenie o objednávaní:
Pri objednávaní prístroja musí užívateľ uviesť:
1. Názov a model, rozsah diferenciálneho tlaku, maximálny statický tlak, jednotka merania, úroveň presnosti;
2. Veľkosť vlákna: konvenčné M20 × 1.5 , NPT1/2 (alebo špecifikovaný zákazníkom);
3. Poznámka: Tri skupiny ventilov je možné prispôsobiť v mene používateľov (ventily 1 ~ 3 na obrázku 4 )